Produkte
Info
0
Warenkorb
Mein Konto

Kompaktaggregat

Kompaktaggregat, einfachwirkend
Kompaktaggregat, doppeltwirkend
  • Pfeil links
  • Pfeil rechts
Kompaktaggregat einfachwirkend
Kompaktaggregat einfachwirkend

Kompaktaggregat - einfachwirkend

Ausstattung:

- Kunststofftank, transparent, Einfüll- und Belüftungsfilter
- Druckbegrenzungsventil und Magnet-Senkventil 230 V
- Anschluss P = G3/8 Innengewinde

Anwendung:

Zum Heben und Senken von einfachwirkenden Zylindern, die durch Eigengewicht einfahren (z. B. Hubbühnen)
Funktion: Motor läuft: Zylinder fährt aus
Magnetventil bestromt: Zylinder fährt ein
Draufsicht.
vergrößern Draufsicht.
Rückwärtige Ansicht.
vergrößern Rückwärtige Ansicht.
Schaltplan.
vergrößern Schaltplan.
Datenblatt Kompaktaggregat einfachwirkend
Datenblatt Kompaktaggregat einfachwirkend
Menge
Tank
Filter
E-Motor
Filter
Fördermenge
l/min
Filter
max. Druck
bar
Filter
Artikel-Nr.
Preis
 
4,7 l1,1 kW - AC 230 V Einphasig2,6205HB04,7E1,10Z2,6VD01876,00 €Mehr Informationen
4,7 l1,1 kW - AC 400 V Drehstrom2,6205HB04,7D1,10Z2,6VD01836,00 €Mehr Informationen
Bitte warten... OK
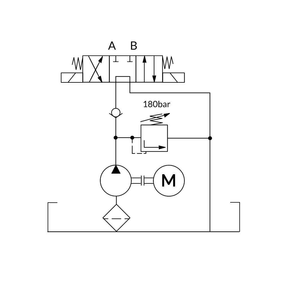
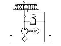
Kompaktaggregat doppeltwirkend
Kompaktaggregat doppeltwirkend

Kompaktaggregat - doppeltwirkend

Ausstattung:

- Kunststofftank, transparent, Einfüll- und Belüftungsfilter
- Druckbegrenzungsventil und 4/3-Wege-Magnetventil 230 V- NG6
- Anschluss A + B = G1/4 Innengewinde

Anwendung:

Zum Betätigen eines doppeltwirkenden Zylinders
Draufsicht.
vergrößern Draufsicht.
Rückwärtige Ansicht.
vergrößern Rückwärtige Ansicht.
Schaltplan.
vergrößern Schaltplan.
Datenblatt Kompaktaggregat doppeltwirkend
Datenblatt Kompaktaggregat doppeltwirkend
Menge
Tank
Filter
E-Motor
Filter
Fördermenge
l/min
Filter
max. Druck
bar
Filter
Artikel-Nr.
Preis
 
4,7 l1,1 kW - AC 230 V Einphasig2,6205HB04,7E1,10Z2,6VD031.116,00 €Mehr Informationen
4,7 l1,1 kW - AC 400 V Drehstrom2,6205HB04,7D1,10Z2,6VD031.076,00 €Mehr Informationen
Bitte warten... OK

Informationen:

Unser Hydraulik Kompaktaggregat der Baureihe HB vom Markenhersteller SPX | Stone bietet eine kostengünstige und platzsparende Lösung für verschiedenste hydraulische Aufgaben. Das Hydraulikaggregat ist eine kompakte Einheit aus Standard-Komponenten und damit vielseitg einsetzbar in Landwirtschaft und Industrie. Das Komapktaggregat wird in der Regel zum Betrieb einfach- oder doppeltwirkender Zylinder in Hubbühnen, Hebetischen, Hubwagen, Gabelstaplern, Schranken und allen Arten von Maschinen mit Hydraulikkomponenten eingesetzt.

© 1998 - 2025 Hytec-Hydraulik OHG. Alle Rechte vorbehalten. Alle Preise beinhalten, wenn nicht anders beschrieben, die gesetzliche MwSt. zzgl. Versandkosten.
Shop powered by Hyreka GmbH.
nach oben