Produkte
Info
0
Warenkorb
Mein Konto

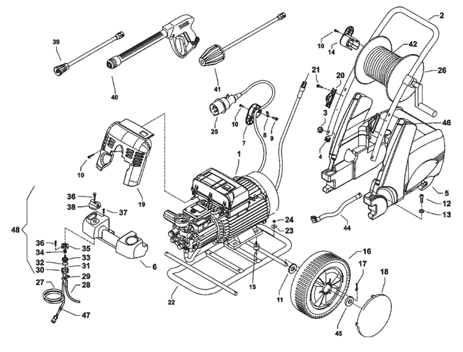
Kränzle Quadro 800 TST Ersatzteilliste Interaktiv

Komplettaggregat
Bremsen
Wassereingang
Pumpenmotor
Getriebeteil
Unloader
Ventilgehaeuse
Schlauchtrommel
Lanzen
Turbokiller

Passendes Zubehör\Ersatzteile

Doppellanze
1000 mm mit ISO-Handgriff
Doppellanze
660mm mit ISO-Handgriff
Doppellanze
660 mm ohne ISO-Handgriff
Doppellanze
1000 mm ohne ISO-Handgriff
Teile in der Zeichnung mit Maus markieren und durch Klick in den Warenkorb legen.
Keine Artikelinformationen verfügbar!

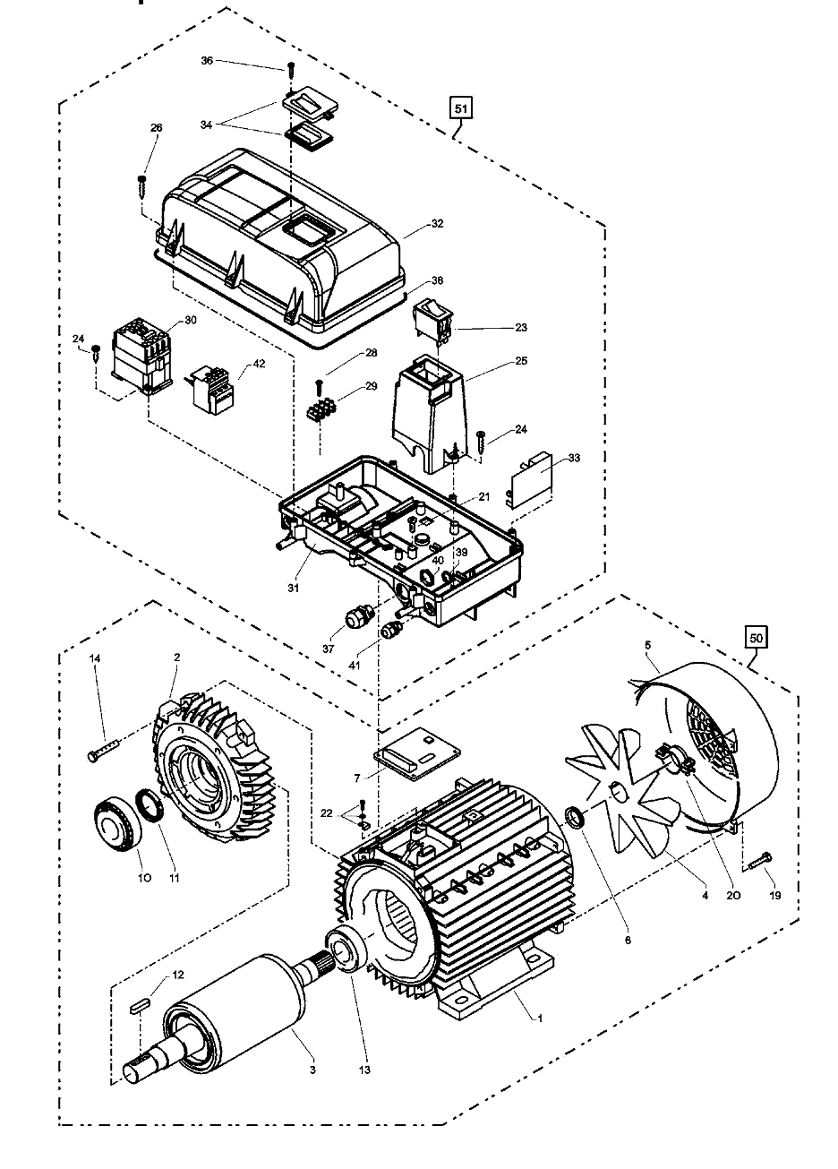
Ersatzteilliste Komplettaggregat

Position Bezeichnung Menge Preis
1 Motor-Pumpe ohne Elektrik für quadro 800 TST 1 1.738,13 €
2 Schubbügel 1 178,33 €
3 Sterngriffmutter M8 4 4,50 €
4 Stopfen 2 1,00 €
5 Wasserkasten 1 276,99 €
6 Lanzenablage 1 49,99 €
7 Kabelaufwicklung unten 1 21,93 €
8 Zugentlastung 1 1,00 €
9 Blechschraube 3,5 x 12 2 0,69 €
10 Kunststoffschraube 5,0 x 25 6 1,07 €
11 Scheibe 21 DIN125 12 0,54 €
12 Schraube M8x50 DIN912 2 2,89 €
13 Scheibe 8,4 DIN125 2 0,96 €
14 Kabelaufwicklung oben 1 21,93 €
15 Gummipuffer 25 x 25 4 7,70 €
16 Rad 4 56,20 €
17 Splint 5x28 DIN94 4 1,29 €
18 Radkappe 4 6,63 €
19 Frontplatte quadro 800 TST 1 37,45 €
20 Lanzenhalter 2 10,10 €
21 Blechschraube 3,5x16 DIN7981 4 0,96 €
22 Fahrgestell 1 332,71 €
23 Scheibe 8,4 DIN9021 4 0,86 €
24 Elastic-Stop-Mutter M8 4 1,00 €
25 Netzanschlusskabel 8 m 1 83,12 €
26 Schlauchtrommel kpl. 1 222,52 €
27 Chemiesaugschlauch (Gewebe) mit Filter 1 31,49 €
28 Gewebeschlauch 0,4m 1 8,02 €
29 Schlauchklemme 9 - 9 2 2,24 €
30 Gehäuse Waschmittelventil 1 8,96 €
31 O-Ring 5 x 1,5 (Viton) 1 1,82 €
32 O-Ring 28,24 x 2,62 1 1,29 €
33 Regulierkolben Chemieventil 1 28,88 €
34 Edelstahlfeder 1,8 x 15 x 15 1 2,25 €
35 Deckel für Chemieventil 1 26,95 €
36 Blechschraube 3,5 x 16 3 0,96 €
37 Blechschraube 3,5 x 19 2 0,96 €
38 Drehgriff Chemieventil mit Blendkappe 1 10,29 €
39 Lanze mit Flachstrahldüse für 800 TST 1 34,99 €
40 Starlett -Pistole mit Verlängerung 1 78,72 €
41 Turbo-Killer 04 bei quadro 800 TST 1 109,70 €
42 Hochdruckschlauch 20 m NW8 1 170,99 €
43 O-Ring 13 x 2,6 2 0,80 €
44 Verbindungsschlauch mit Winkel 1 40,86 €
45 Scheibe 8mm für Rad 4 0,54 €
46 Gewindestift M6x55 4 3,43 €
47 Rückschlagventil für Chemiesaugschl. 1 23,70 €
48 Chemieventil Kpl. Pos. 30-37 1 32,52 €
49 Wasserfilter 1 1,29 €
Teile in der Zeichnung mit Maus markieren und durch Klick in den Warenkorb legen.
Keine Artikelinformationen verfügbar!

Ersatzteilliste Bremse

Position Bezeichnung Menge Preis
1 Grundplatte 1 12,84 €
2 Bremspedal 1 15,52 €
3 Bremshebel 1 15,52 €
4 Bremsklotz 1 15,52 €
5 Stift 6 x 50 1 1,50 €
6 Starlock-Kappe 8mm 1 1,07 €
7 Stift 6 x 40 1 1,50 €
8 Distanzring mit Abstützung 2 2,30 €
9 Sechskantschraube M6x16 3 0,54 €
10 Unterlegscheibe DIN125-6,3 3 0,64 €
Teile in der Zeichnung mit Maus markieren und durch Klick in den Warenkorb legen.
Keine Artikelinformationen verfügbar!

Ersatzteilliste Wassereingang

Position Bezeichnung Menge Preis
1 Mutter R3/4";1" 1 4,39 €
2 Revisionsdeckel 1 30,92 €
3 Sterngriffmutter M8 4 4,50 €
6 Dichtung für Schwimmerventil 1 5,77 €
7 Schwimmerventil 1 25,99 €
8 Gewindestift M6x40 4 3,10 €
9 Einströmschlauch 1 11,02 €
15 Verbindungsschlauch (inkl. 16 + 17) 1 40,86 €
16 O-Ring 11x1,5 1 2,35 €
17 Filter 1 1,29 €
Teile in der Zeichnung mit Maus markieren und durch Klick in den Warenkorb legen.
Keine Artikelinformationen verfügbar!

Ersatzteilliste Pumpenmotor

Position Bezeichnung Menge Preis
1 Stator 112 5,5kW 400V / 50Hz 1 311,99 €
2 A-Lager Flansch 1 113,99 €
3 Rotor 112 (400V / 50Hz) 1 74,99 €
4 Lüfterrad für BG 112 1 12,84 €
5 Lüfterhaube BG 112 1 13,91 €
6 V-Seal 1 3,53 €
7 Flachdichtung 1 6,41 €
10 Kegelrollenlager 31306 1 43,99 €
11 Öldichtung 35 x 47 x 7 1 11,55 €
12 Passfeder 8 x 7 x 28 1 8,96 €
13 Kugellager 6206 - 2Z 1 22,10 €
14 Innensechskantschraube M 6 x 30 4 0,86 €
19 Schraube M 4 x 12 4 0,64 €
20 Schelle für Lüfterrad 112 2 13,28 €
21 Schraube M 4 x 12 4 0,64 €
22 Erdungsschraube kpl. 1 1,29 €
23 Schalter 14,5 A Amazonas 1 1 23,99 €
24 Kunststoffschraube 4,0 x 16 6 0,96 €
25 Bock für Schalter 1 7,99 €
26 Kunststoffschraube 5,0 x 25 6 1,07 €
28 Kunststoffschraube 3,5 x 20 2 0,96 €
29 Lüsterklemme 5-pol. 1 5,77 €
30 Schütz 100-C12KN10 3x400V 50/60 Hz 1 98,99 €
31 Schaltkasten Unterteil 1 23,11 €
32 Schaltkasten Deckel 1 14,99 €
33 Steuerplatine Abschaltverz. 400V / 50Hz 1 64,99 €
34 Klemmrahmen mit Schalterabdichtung 1 4,06 €
36 Blechschraube 3,5 x 16 2 0,96 €
37 PG 16-Verschraubung 1 9,09 €
38 Dichtung für Schaltkastendeckel 1 7,25 €
39 Gegenmutter für PG9-Verschraubung 1 0,96 €
40 Gegenmutter für PG16-Verschraubung 1 1,00 €
41 PG 9 - Verschraubung 1 6,41 €
42 Überstromauslöser 3-polig 11,3-16A 1 38,80 €
50 Motor kpl. ohne Schalter 1 632,99 €
51 Schaltkasten kpl. 1 467,18 €
Teile in der Zeichnung mit Maus markieren und durch Klick in den Warenkorb legen.
Keine Artikelinformationen verfügbar!

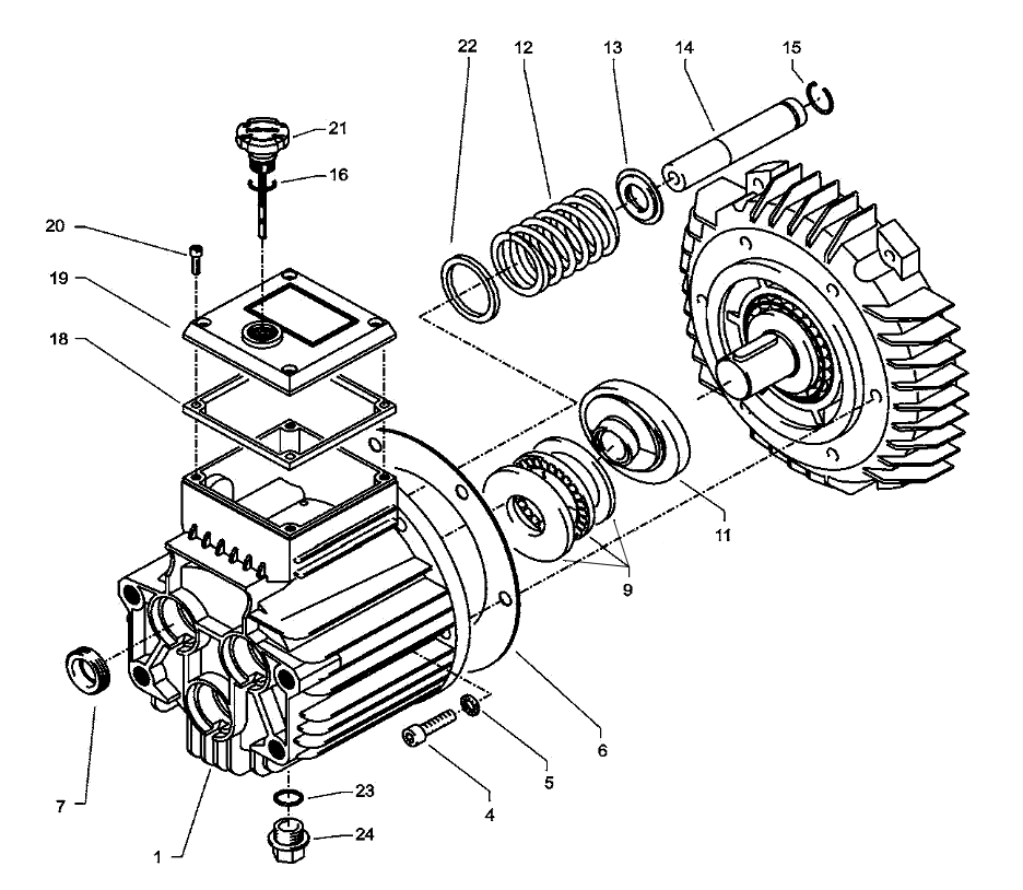
Ersatzteilliste Getriebeteil

Position Bezeichnung Menge Preis
1 Ölgehäuse 1 102,99 €
4 Innensechskantschraube M 8 x 30 6 2,25 €
5 Sicherungsscheibe 6 1,07 €
6 Flachdichtung 1 5,10 €
7 Öldichtung 20 x 30 x 7 3 8,66 €
9 Axial-Zylinderrollenlager - 3teilig 1 99,99 €
11 Taumelscheibe AQ 9,5° 0 75,74 €
12 Plungerfeder 3 7,49 €
13 Federdruckscheibe 3 4,07 €
14 Plunger 20 mm (lang) 3 42,55 €
15 Sprengring 3 2,25 €
16 O-Ring 14x2 1 0,64 €
18 Flachdichtung 1 4,07 €
19 Deckel flach für Ölgehäuse 1 10,27 €
20 Innensechskantschraube M5x12 4 0,54 €
21 Ölmessstab AQ 1 14,11 €
22 Stützscheibe für Plungerfeder 3 4,69 €
23 O-Ring 13,94 x 2,62 1 1,06 €
24 Ölgehäuse 2 9,20 €
Teile in der Zeichnung mit Maus markieren und durch Klick in den Warenkorb legen.
Keine Artikelinformationen verfügbar!

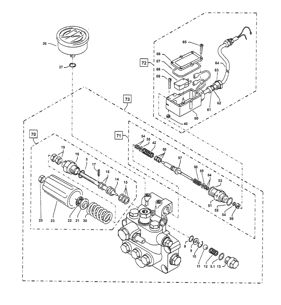
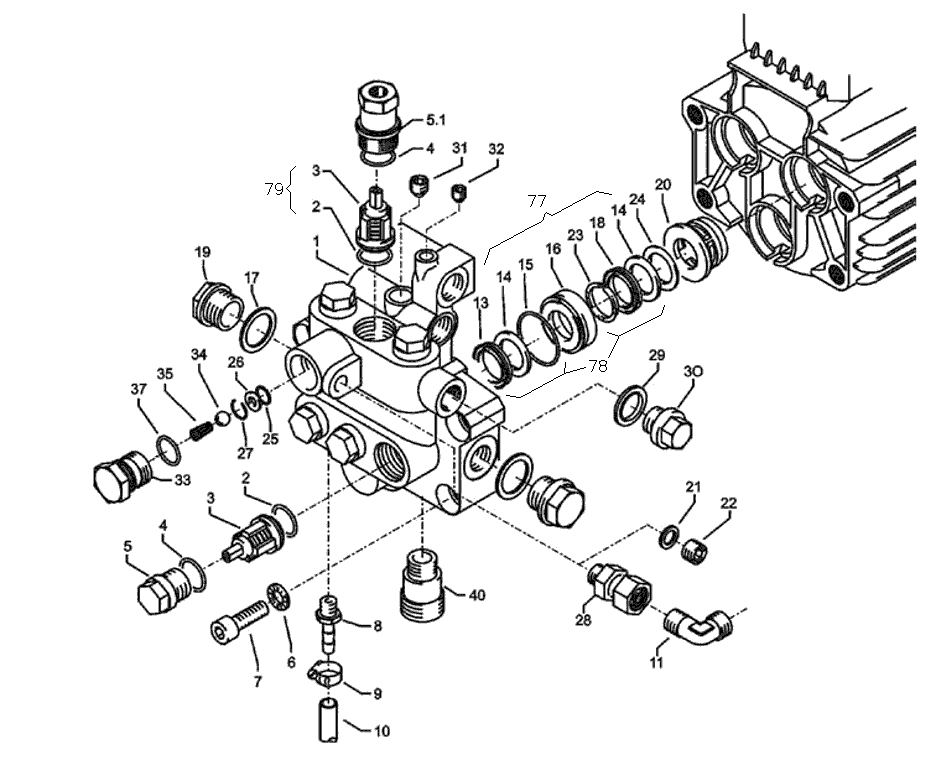
Ersatzteilliste Unloader und Druckschalter

Position Bezeichnung Menge Preis
5 O-Ring 16 x 2 1 1,69 €
5.1 O-Ring 13,94 x 2,62 1 1,06 €
8 O-Ring 11 x 1,44 1 2,35 €
9 Edelstahlsitz 1 3,42 €
10 Sicherungsring 1 1,06 €
11 Edelstahlkugel 1 3,39 €
12 Edelstahlfeder 1 1,07 €
13 Verschlussschraube 1 3,19 €
14 Steuerkolben 1 26,49 €
15 Parbaks 16 mm 1 3,90 €
16 Parbaks 8 mm 1 4,60 €
17 Spanstift 1 0,59 €
18 Kolbenführung spezial 1 19,10 €
19 Kontermutter M 8 x 1 2 0,64 €
20 Ventilfeder rot 1 10,70 €
21 Federdruckscheibe 1 2,25 €
22 Nadellager 1 6,84 €
23 Handrad 1 7,99 €
25 Elastic-Stop-Mutter M 8 x 1 1 2,89 €
26 Manometer 0-400 Bar 1 39,50 €
27 Aluminium-Dichtring 2 0,35 €
40 Sechskant - Mutter M 4 2 0,52 €
42 Druckfeder 1 x 8,6 x 30 1 3,43 €
50 O-Ring 3,3 x 2,4 1 2,77 €
51 Führungsteil Steuerstößel 1 13,48 €
52 O-Ring 13 x 2,6 1 0,64 €
53 O-Ring 14 x 2 1 0,64 €
54 Parbaks 4 mm 2 2,59 €
55 Stützscheibe 2 0,64 €
56 Edelstahlfeder 1 2,69 €
57 Steuerstößel 1 13,65 €
58 Parbaks 7 mm 1 4,27 €
59 Stopfen M 10 x 1 (durchgebohrt) 1 3,20 €
60 Gehäuse Elektroschalter 1 4,99 €
61 Gummimanschette PG 9 1 1,29 €
62 Scheibe PG 9 1 0,54 €
63 Verschraubung PG 9 1 1,82 €
64 PVC-Kabel 2x 1,0 mm² 1 10,29 €
65 Blechschraube 2,8 x 16 6 0,54 €
66 Deckel Elektroschalter 1 5,51 €
67 O-Ring 44 x 2,5 1 3,15 €
68 Mikroschalter 1 8,99 €
69 Zylinderschraube M 4 x 20 2 0,54 €
70 Steuerkolben kpl. mit Handrad 1 48,60 €
71 Rep.- Satz Druckschaltermechanik 1 32,99 €
72 Druckschalter kpl. 1 59,70 €
73 Ventilgehäuse kpl. Quadro 800TST 1 461,00 €
77 Reparatur-Satz Manschetten 1 102,50 €
78 Reparatur-Satz Manschetten ohne Messingteile 1 67,99 €
79 Reparatur-Satz Ventile 1 67,99 €
Teile in der Zeichnung mit Maus markieren und durch Klick in den Warenkorb legen.
Keine Artikelinformationen verfügbar!

Ersatzteilliste Ventilgehäuse

Position Bezeichnung Menge Preis
1 Ventilgehäuse AQ mit integr. UL und Druckschalter 1 241,24 €
2 O-Ring 18 x 2 6 0,96 €
3 Einlaß- / Auslaß- Ventil 6 7,99 €
4 O-Ring 21 x 2 6 1,49 €
5.1 Ventilstopfen mit R 1/4 IG " 1 14,99 €
5 Ventilstopfen 5 11,65 €
6 Sicherungsring 4 1,00 €
7 Innensechskantschraube M 12 x 45 4 2,14 €
8 Schlauchnippel R3/8 x 6 " 1 5,36 €
9 Schlauchschelle 7 - 10 1 2,24 €
10 Chemiesaugschlauch mit Filter 1 31,49 €
11 Winkel 12L x 12L 1 7,49 €
13 Gewebemanschette 3 9,49 €
14 Backring 20 mm 6 2,89 €
15 O-Ring 31,42 x 2,62 3 2,51 €
16 Leckagering 20 x 36 x 13,3 3 9,10 €
17 Cu-Dichtring 21 x 28 x 1,5 2 3,68 €
18 Gummimanschette 3 9,75 €
19 Verschlussschraube R 1/2 " 2 5,36 €
20 Distanzring mit Abstützung 3 10,19 €
21 Aluminium-Dichtring bei quadro TS 2 0,35 €
22 Verschlussstopfen bei quadro TS 1 3,70 €
23 Druckring 20 mm 3 3,77 €
24 Zwischenring 20 mm 3 9,99 €
25 O-Ring 11 x 1,5 1 2,35 €
26 Edelstahlsitz Ø 7 1 3,42 €
27 Sprengring 1 1,06 €
28 Ausgangsteil Pumpe R1/4 x 12 " 1 5,02 €
29 Dichtring 17 x 22 x 1,5 (Kupfer) 1 2,10 €
30 Stopfen 3/8 " 1 3,21 €
31 Dichtstopfen M 10 x 1 1 2,46 €
32 Dichtstopfen M 8 x 1 2 2,36 €
33 Ausgangsteil für Quadro 800TST 1 12,20 €
34 Edelstahlkugel Ø10 1 3,10 €
35 Rückschlagfeder ,,K " 1 1,29 €
37 O-Ring 18 x 2 1 1,02 €
40 Wassereingang R3/8 AG " 1 8,77 €
77 Reparatur-Satz Manschetten 1 102,50 €
78 Reparatur-Satz Manschetten ohne Mesingteile 1 67,99 €
79 Reparatur-Satz Ventile 1 67,99 €
Teile in der Zeichnung mit Maus markieren und durch Klick in den Warenkorb legen.
Keine Artikelinformationen verfügbar!

Ersatzteilliste Schlauchtrommel

Position Bezeichnung Menge Preis
1 Seitenschale Schlauchführung 1 27,81 €
2 Seitenschale Wasserführung 1 27,81 €
3 Trommel Unterteil 1 12,99 €
4 Trommel Oberteil 1 12,99 €
5 Innensechskantschraube M 4 x 25 4 0,64 €
6 Lagerklotz mit Bremse 1 11,23 €
7 Lagerklotz links 1 8,15 €
8 Klemmstück 2 4,71 €
9 Kunststoffschraube 5,0 x 20 12 0,64 €
10 Antriebswelle 1 13,05 €
11 Welle Wasserführung 1 18,99 €
12 Elastic-Stop-Mutter M 4 4 0,64 €
13 Handkurbel klappbar 1 21,99 €
14 Verriegelungsbolzen 1 4,07 €
15 Scheibe MS 16 x 24 x 2 1 3,80 €
16 Wellensicherungsring 22 mm 2 1,07 €
17 Wellensicherungsring 16 mm 1 0,95 €
20 Parbaks 16 mm 2 3,90 €
21 Sicherungsscheibe 6 DIN6799 1 0,64 €
22 Schraube M 5 x 10 1 0,64 €
23 Drehgelenk 1 22,60 €
25 Distanzring 1 3,21 €
27 O-Ring 6,86 x 1,78 1 1,39 €
28 Anschlussstück 1 7,06 €
33 O-Ring 6 x 1,5 1 0,64 €
34 Stopfen M 10 x 1 1 1,50 €
40 Überwurfmutter 1 6,84 €
42 O-Ring 9,3 x 2,4 4 1,14 €
44 Verbindungsschlauch 1 33,40 €
45 Hochdruckschlauch NW 8 20 m 1 170,99 €
50 Schlauchtrommel komplett 1 252,47 €
Teile in der Zeichnung mit Maus markieren und durch Klick in den Warenkorb legen.
Keine Artikelinformationen verfügbar!

Ersatzteilliste Pistole und Lanzen

Position Bezeichnung Menge Preis
1 Ventilkörper mit Handgriff 1 44,72 €
2 Schutzhülse 1 6,84 €
3 Abdeckschutz 1 3,53 €
4 Betätigungshebel grau 1 6,84 €
5 Sicherungshebel 1 3,43 €
6 Abschlussschraube M 16 x1 1 2,89 €
7 Stopfen 1 3,75 €
8 Gewindeführungshülse Ø3 R 1/4 AG " 1 3,96 €
9 Aufsteuerbolzen Ø3 1 4,49 €
10 Stift 1 0,96 €
11 Lagernadel 1 2,36 €
12 Edelstahlfeder 1 3,74 €
13 Edelstahlkugel 8,5 1 3,42 €
14 Edelstahlsitz Ø7 1 3,42 €
15 O-Ring 11 x 1,44 1 2,35 €
16 O-Ring 2,84 x 2,62 1 2,78 €
17 Blechschraube 3,9 x 8 4 1,02 €
18 Druckstück 1 0,90 €
19 Rohr kunststoffumspritzt bds. R 1/4 AG " 1 19,15 €
20 Überwurfmutter ST 30 M22 x 1,5 IG 1 4,70 €
21 Außen-Sechskant-Nippel R 1/4 IG " 1 2,19 €
22 O-Ring 9,3 x 2,4 1 1,14 €
23 Aluminium-Dichtring 4 0,35 €
24 O-Ring 15 x 1,5 1 2,78 €
25 Sicherungsring 1 1,07 €
26 Gleitschuh Ø3 1 2,14 €
51 Düsenschutz 1 26.002 1 4,50 €
52 Rohr 500 mm; bds. R1/4 " 1 18,99 €
53 ST 30 Nippel M 22 x 1,5 / R1/4 m. ISK " 1 4,45 €
54 Flachstrahldüse 2504 1 8,34 €
58 Starlet-Pistole mit Verlängerung 1 78,72 €
59 Rep.-Satz ,,Starlet II bestehend aus 1x 8, 9, 13-16, 24-26 " 1 14,85 €
Teile in der Zeichnung mit Maus markieren und durch Klick in den Warenkorb legen.
Keine Artikelinformationen verfügbar!

Ersatzteilliste Turbokiller

Position Bezeichnung Menge Preis
11 Sprühkörperschutz 1 8,88 €
12 Sprühkörper 1 82,05 €
13 O-Ring 6,88 x 1,68 1 1,39 €
14 Düsensitz 1 11,75 €
15 Düse 045 für quadro 800 1 34,99 €
16 Ring 1 1,50 €
17 Rotor 1 17,75 €
18 Stabilisator 1 1,50 €
19 O-Ring 41 x 1,78 1 1,82 €
20 Deckel 1 30,59 €
21 Deckelschutz 045 1 4,99 €
22 Rohr 600 mm lang; bds. R1/4 " 1 17,69 €
23 Nippel M22x1,5 x R1/4 IG" 1 4,45 €
28 Turbokiller 045 kpl. mit Lanze 1 115,99 €
29 Rep.-Satz Turbokiller 045 1 64,99 €
© 1998 - 2025 Hytec-Hydraulik OHG. Alle Rechte vorbehalten. Alle Preise beinhalten, wenn nicht anders beschrieben, die gesetzliche MwSt. zzgl. Versandkosten.
Shop powered by Hyreka GmbH.
nach oben