Produkte
Info
0
Warenkorb
Mein Konto

Druckreduzier- und Druckbegrenzungsventile

Druckbegrenzungsventil für den Leitungseinbau mit Kontermutter
Druckbegrenzungsventil für den Leitungseinbau mit Handrad
Druckbegrenzungsventil 20 l/min
Druckbegrenzungsventil 30 l/min
Druckbegrenzungsventil, gegenseitige Ölableitung
Druckreduzierventil mit integriertem Rückschlagventil
Druckreduzierventil mit integriertem Rückschlagventil
  • Pfeil links
  • Pfeil rechts
Druckbegrenzungsventil für den Leitungseinbau mit Kontermutter
Druckbegrenzungsventil für den Leitungseinbau mit Kontermutter

Druckbegrenzungsventil für den Leitungseinbau mit Kontermutter (Typ K)

Die Einstellung erfolgt über eine Kontermutter.

Kenngrößen:

Bauart: Sitzventil mit Dämpfung.
Max. Rücklaufdruck: 210bar.
Max. Leckölstrom: 1 cm3/min.
Max. Durchfluss: 120 l/min.
Schaltsymbol BO-05320020.
vergrößern Schaltsymbol BO-05320020.
Ohne Kappe Druckbegrenzungsventil für den Leitungseinbau mit Kontermutter
vergrößern Ohne Kappe Druckbegrenzungsventil für den Leitungseinbau mit Kontermutter
Ansicht von unten Druckbegrenzungsventil für den Leitungseinbau mit Kontermutter
vergrößern Ansicht von unten Druckbegrenzungsventil für den Leitungseinbau mit Kontermutter
Kappe Druckbegrenzungsventil für den Leitungseinbau mit Kontermutter
vergrößern Kappe Druckbegrenzungsventil für den Leitungseinbau mit Kontermutter
Menge
Typ
Filter
Anschluss
Einstelldruck
Filter
Artikel-Nr.
Preis
 
KM18x1,57 - 67 barBO-0532002052186,12 €
KG1/240 - 300 barBO-0532002044186,12 €
Bitte warten... OK
Druckbegrenzungsventil für den Leitungseinbau mit Handrad
Druckbegrenzungsventil für den Leitungseinbau mit Handrad

Druckbegrenzungsventil für den Leitungseinbau mit Handrad (Typ D)

Die Einstellung erfolgt über das Handrad.

Kenngrößen:

Bauart: Sitzventil mit Dämpfung.
Max. Rücklaufdruck: 210bar.
Max. Leckölstrom: 1 cm3/min.
Max. Durchfluss: 120 l/min.
Schaltsymbol BO-0532003034.
vergrößern Schaltsymbol BO-0532003034.
Ansicht von unten Druckbegrenzungsventil für den Leitungseinbau mit Handrad
vergrößern Ansicht von unten Druckbegrenzungsventil für den Leitungseinbau mit Handrad
Seitenansicht Druckbegrenzungsventil für den Leitungseinbau mit Handrad
vergrößern Seitenansicht Druckbegrenzungsventil für den Leitungseinbau mit Handrad
Einstellung Druckbegrezungsventil
Einstellung Druckbegrezungsventil
Menge
Typ
Filter
Anschluss
Einstelldruck
Filter
Artikel-Nr.
Preis
 
DM18x1,51 - 40 barBO-0532003035196,02 €
DG1/240 - 300 barBO-0532003034196,02 €
Bitte warten... OK
Druckbegrenzungsventil 20 l/min
Druckbegrenzungsventil 20 l/min

Druckbegrenzungsventil 20 l/min

Die Einstellung erfolgt über eine Kontermutter.

Kenngrößen:

Max. Durchfluss: 20 l/min.
Schaltsymbol OC-DBV020.
vergrößern Schaltsymbol OC-DBV020.
Seitenansicht Druckbegrenzungsventil 20 l/min
vergrößern Seitenansicht Druckbegrenzungsventil 20 l/min
Menge
Anschluss
Einstelldruck
Filter
Artikel-Nr.
Preis
 
G3/830 - 210 barOC-DBV020-G3/8-210129,00 €Mehr Informationen
G3/8150 - 350 barOC-DBV020-G3/8-350121,26 €Mehr Informationen
Bitte warten... OK
Druckbegrenzungsventil 30 l/min
Druckbegrenzungsventil 30 l/min

Druckbegrenzungsventil 30 l/min

Die Einstellung erfolgt über eine Kontermutter.

Kenngrößen:

Max. Durchfluss: 30 l/min
Schaltsymbol OC-DBV030.
vergrößern Schaltsymbol OC-DBV030.
Ansicht von unten Druckbegrenzungsventil 30 l/min
vergrößern Ansicht von unten Druckbegrenzungsventil 30 l/min
Seitenansicht Druckbegrenzungsventil 30 l/min
vergrößern Seitenansicht Druckbegrenzungsventil 30 l/min
Menge
Anschluss
Einstelldruck
Filter
Artikel-Nr.
Preis
 
G1/250 - 210 barOC-DBV030-G1/2-21093,83 €Mehr Informationen
G1/2100 - 350 barOC-DBV030-G1/2-35093,83 €Mehr Informationen
Bitte warten... OK
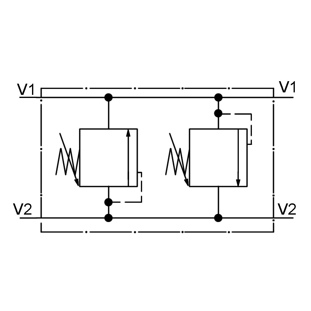
Druckbegrenzungsventile, gegenseitige Ölableitung
Druckbegrenzungsventile, gegenseitige Ölableitung

Druckbegrenzungsventile, gegenseitige Ölableitung

Dieses Ventil besteht aus zwei direkt gesteuerten Druckbegrenzungsventilpatronen. Das Ventil ist empfehlenswert für den kontinuierlichen Einsatz oder als Überdruckventil.

Einbau:

Installation so nahe wie möglich am Antrieb.

Kenngrößen:

Leckagefreie Sitzausführung.
Max. Durchfluss: 80 l/min.
Schaltsymbol OC-DDBV.
vergrößern Schaltsymbol OC-DDBV.
Menge
Anschluss
Einstelldruck
Filter
Artikel-Nr.
Preis
 
G1/280 - 250 barOC-DDBV-G1/2-K220,45 €Mehr Informationen
G3/480 - 250 barOC-DDBV-G3/4-K232,80 €Mehr Informationen
Bitte warten... OK
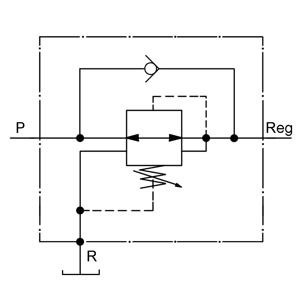
Druckreduzierventil mit integriertem Rückschlagventil und Handrad
Druckreduzierventil mit integriertem Rückschlagventil und Handrad

Druckreduzierventil mit integriertem Rückschlagventil

Dieses direkt wirkende Druckreduzierventil vermindert den höheren variablen Druck im Primärsystem auf einen niedrigeren, konstanten Druck im Sekundärsystem. Der Sekundärdruck ist unabhängig von Druckänderungen im Primärkreis.
Bei Druckerhöhung im Sekundärkreis wirkt das Ventil als Druckbegrenzer. Das eingebaute Rückschlagventil erlaubt den freien Durchfluss von Reg nach P.

Kenngrößen:

Leckage: ca. 0,19 l/min bei max. Druck vom Anschluss Reg nach R.
Max. Durchfluss: 20 l/min
Max. zulässiger Eingangsdruck: 210 bar (Primärkreis)
Mit Kontermutter Druckreduzierventil mit integriertem Rückschlagventil
vergrößern Mit Kontermutter Druckreduzierventil mit integriertem Rückschlagventil
Schaltsymbol OC-DMV.
vergrößern Schaltsymbol OC-DMV.
Menge
Anschluss
Einstelldruck
Filter
Verstellung
Filter
Artikel-Nr.
Preis
 
G3/85 - 105 barHandradOC-DMV-G3/8-K-105226,93 €Mehr Informationen
G3/82 - 42 barKontermutterOC-DMV-G3/8-K-042226,93 €Mehr Informationen
Bitte warten... OK
© 1998 - 2025 Hytec-Hydraulik OHG. Alle Rechte vorbehalten. Alle Preise beinhalten, wenn nicht anders beschrieben, die gesetzliche MwSt. zzgl. Versandkosten.
Shop powered by Hyreka GmbH.
nach oben