Produkte
Info
0
Warenkorb
Mein Konto

Handpumpen

Mit einer Hydraulik-Handpumpe können Sie einen Hydraulik-Zylinder manuell aus- oder einfahren. Eine Handpumpe eignet sich ideal als Notbetrieb von z. B. hydraulisch betriebenen Verschlüssen, wenn Ihre Elektrik ausgefallen ist und ein dringendes Öffnen oder Schließen notwendig ist.
Hydraulikhandpumpe, einfachwirkend
Hydraulikhandpumpe, doppeltwirkend
Handhebel für Hydraulikhandpumpe
Öltank Kunststoff mit Adapter und Halter
FLEXePump - Hydraulikpumpe für Hand- oder Akkubetrieb
Handpumpe passend für Kunststofftank
Öltank Kunststoff für Handpumpen
Hydraulikhandpumpe, einfachwirkend, für Rohrleitungsbau
Öltank Stahl
Anschweißring
Adapter und Halter für Kunststofftank
Tankschelle für Kunststofftank
Hydrauliköl
Ersatzteile für Hydraulikhandpumpen
  • Pfeil links
  • Pfeil rechts
Hydraulikhandpumpe, einfachwirkend
Hydraulikhandpumpe, einfachwirkend

Hydraulikhandpumpe, einfachwirkend

- Verstärkte Abdichtung mit Lippendichtung und Abstreifer

Anschluss:

Einschraubgewinde G3/8

Werkstoffe:

Pumpenkörper aus Grauguss (lackiert), Kolben aus Stahl (nitriert)

Lieferumfang:

Hydraulik-Handpumpe, Ansaugschlauch, Ansaugfilter, Luftfilter, 300bar Variante mit integriertem Druckbegrenzungsventil
Vollständige Handpumpe mit Handhebel und Tank.
                                         <b>Achtung:</b> Handhebel und Tank sind <b>nicht</b> im Preis enthalten
                                         und müssen einzeln bestellt werden.
vergrößern Vollständige Handpumpe mit Handhebel und Tank. Achtung: Handhebel und Tank sind nicht im Preis enthalten und müssen einzeln bestellt werden.
Technische Zeichnung
vergrößern Technische Zeichnung
Hydraulikhandpumpe, einfachwirkend, für Stahlbehälter
vergrößern Hydraulikhandpumpe, einfachwirkend, für Stahlbehälter
Eigenschaften
Eigenschaften
Datenblatt
Datenblatt
Menge
max. Druck
Filter
Volumen
Filter
Plunger-Ø
Filter
Artikel-Nr.
Preis
 
300 bar **8 cm³/Hub12 mmCH-P12/SE-DBV196,98 €Mehr Informationen
200 bar15 cm³/Hub16 mmCH-P16/SE132,78 €Mehr Informationen
150 bar20 cm³/Hub20 mmCH-P20/SE129,14 €Mehr Informationen
300/50 bar **5/25 cm³/Hub12/30 mmCH-P1230/SE228,93 €Mehr Informationen
160 bar *20 cm³/Hub14 mmCH-P20/SDA173,64 €Mehr Informationen
120 bar *30 cm³/Hub16 mmCH-P25/SDA175,51 €Mehr Informationen
Bitte warten... OK
* Pumpe mit Doppelhub (beim Drücken und Ziehen des Hebels fördert die Pumpe)
** Pumpe mit Druckbegrenzungsventil
Hydraulikhandpumpe, doppeltwirkend
Hydraulikhandpumpe, doppeltwirkend

Hydraulikhandpumpe, doppeltwirkend

- Verstärkte Abdichtung mit Lippendichtung und Abstreifer

Anschlüsse:

Einschraubgewinde G3/8

Werkstoffe:

Pumpenkörper aus Grauguss (lackiert), Kolben aus Stahl (nitriert)

Lieferumfang:

Hydraulik-Handpumpe, Ansaugschlauch, Ansaugfilter, Luftfilter
Vollständige Handpumpe mit Handhebel und Tank.
                                         <b>Achtung:</b> Handhebel und Tank sind <b>nicht</b> im Preis enthalten
                                         und müssen einzeln bestellt werden.
vergrößern Vollständige Handpumpe mit Handhebel und Tank. Achtung: Handhebel und Tank sind nicht im Preis enthalten und müssen einzeln bestellt werden.
Technische Zeichnung
vergrößern Technische Zeichnung
Hydraulikhandpumpe, einfachwirkend, für Stahlbehälter
vergrößern Hydraulikhandpumpe, einfachwirkend, für Stahlbehälter
Eigenschaften
Eigenschaften
Datenblatt
Datenblatt
Menge
max. Druck
Filter
Volumen
Filter
Plunger-Ø
Filter
Artikel-Nr.
Preis
 
200 bar15 cm³/Hub16 mmCH-P16/DE242,31 €Mehr Informationen
150 bar20 cm³/Hub20 mmCH-P20/DE238,68 €Mehr Informationen
150 bar *30 cm³/Hub16 mmCH-P25/DDA269,07 €Mehr Informationen
Bitte warten... OK
* Pumpe mit Doppelhub (beim Drücken und Ziehen des Hebels fördert die Pumpe)
Handhebel für Hydraulikhandpumpe
Handhebel für Hydraulikhandpumpe

Handhebel für Hydraulikhandpumpe

Länge:

550mm
Technische Zeichnung
vergrößern Technische Zeichnung
Menge
Artikel-Nr.
Preis
 
CH-LEV/PM14,52 €Mehr Informationen
Bitte warten... OK
6l Kunststoff-Öltank mit Adapter und Halter
6l Kunststoff-Öltank mit Adapter und Halter

Öltank Kunststoff mit Adapter und Halter

2l Kunststoff-Öltank mit Adapter und Halter
vergrößern 2l Kunststoff-Öltank mit Adapter und Halter
Rückansicht 2l Kunststoff-Öltank mit Adapter und Halter
vergrößern Rückansicht 2l Kunststoff-Öltank mit Adapter und Halter
6l Kunststoff-Öltank mit Pumpe, Adapter, Halter (Pumpe muss separat bestellt werden)
vergrößern 6l Kunststoff-Öltank mit Pumpe, Adapter, Halter (Pumpe muss separat bestellt werden)
Menge
Volumen
Filter
Artikel-Nr.
Preis
 
1 LiterCH-RP1P-HALTER77,37 €Mehr Informationen
2 LiterCH-RP2P-HALTER77,62 €Mehr Informationen
4 LiterCH-RP4P-HALTER77,87 €Mehr Informationen
6 LiterCH-RP6P-HALTER80,99 €Mehr Informationen
Bitte warten... OK
FLEXePump - Hydraulikpumpe für Hand- oder Akkubetrieb
FLEXePump - Hydraulikpumpe für Hand- oder Akkubetrieb

FLEXePump - Hydraulikpumpe für Hand- oder Akkubetrieb

Eigenschaften:

- Tank: 6,2 l
- mit einfachwirkendem Ablassventil
- 20ccm

Handpumpe:

- Max. Betriebsdruck: 150 bar

Zahnradpumpe:

- Max. Betriebsdruck: 180 bar
- Empfohlene Drehzahl: 1000 – 1500 U/min
- Antrieb: Sechskantnuss 8mm
FLEXePump - Hydraulikpumpe für Hand- oder Akkubetrieb
vergrößern FLEXePump - Hydraulikpumpe für Hand- oder Akkubetrieb
FLEXePump - mit Akkuschrauber im Akkubetrieb (Akkuschrauber nicht im Lieferumfang enthalten)
vergrößern FLEXePump - mit Akkuschrauber im Akkubetrieb (Akkuschrauber nicht im Lieferumfang enthalten)
Produktvideo FLEXePump - Hydraulikpumpe für Hand- oder Akkubetrieb
Produktvideo FLEXePump - Hydraulikpumpe für Hand- oder Akkubetrieb
Datenblatt
Datenblatt
Menge
Artikel-Nr.
Preis
 
CH-FLEXEPUMP549,00 €Mehr Informationen
Bitte warten... OK
Handpumpe mit Befestigungsflansch
Handpumpe mit Befestigungsflansch

Handpumpe mit Befestigungsflansch

- passend für Kunststofftank
- mit einfachwirkendem Ablasshahn
Detailansicht Handpumpe passend für Kunststofftank
vergrößern Detailansicht Handpumpe passend für Kunststofftank
Menge
Volumen/ Hub
Filter
max. Druck
Filter
Artikel-Nr.
Preis
 
15 ccm200 barCH-PE16S142,80 €
20 ccm150 barCH-PE20S142,80 €
2x10=20 ccm160 barCH-PE20SDA202,30 €
Bitte warten... OK
Öltank für Handpumpen
Öltank für Handpumpen

Öltank Kunststoff für Handpumpen

Rückseite 4 Liter Öltank für Handpumpen
vergrößern Rückseite 4 Liter Öltank für Handpumpen
1 Liter Öltank für Handpumpen
vergrößern 1 Liter Öltank für Handpumpen
Rückseite 1 Liter Öltank für Handpumpen
vergrößern Rückseite 1 Liter Öltank für Handpumpen
6 Liter Öltank für Handpumpen
vergrößern 6 Liter Öltank für Handpumpen
Rückansicht Öltank Kunststoff für FLEXePump
vergrößern Rückansicht Öltank Kunststoff für FLEXePump
Menge
Volumen
Filter
Artikel-Nr.
Preis
 
1 lCH-RP1P40,78 €
2 lCH-RP2P41,03 €
4 lCH-RP4P41,28 €
6 lCH-RP6P44,40 €
Bitte warten... OK
Hydraulikhandpumpe, einfachwirkend, für Rohrleitungsbau
Hydraulikhandpumpe, einfachwirkend, für Rohrleitungsbau

Hydraulikhandpumpe, einfachwirkend, für Rohrleitungsbau

Einschraubgewinde P + T = G3/8

Werkstoff Pumpenkörper:

Grauguss, lackiert

Werkstoff Kolben:

Stahl, nitriert
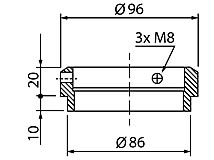
Maße Hydraulikhandpumpe, einfachwirkend, für Rohrleitungsbau
vergrößern Maße Hydraulikhandpumpe, einfachwirkend, für Rohrleitungsbau
Datenblatt
Datenblatt
Menge
max. Druck
Filter
Volumen
Filter
Plunger-Ø
Filter
Artikel-Nr.
Preis
 
200 bar15 cm³/Hub16 mmCH-PL16S151,40 €Mehr Informationen
150 bar20 cm³/Hub20 mmCH-PL20S129,14 €
Bitte warten... OK
4l Tank mit Ablassschraube
4l Tank mit Ablassschraube

Tank mit Ablassschraube

Die Hydraulik-Handpumpe ist auf dem Tank stufenlos montierbar (360°)

Werkstoff:

gezogener Stahl, lackiert

Ablassschraube: G1/2" (keine Ablassschraube bei CH-RP/1)
Rückansicht 4l Tank ohne Ablassschraube
vergrößern Rückansicht 4l Tank ohne Ablassschraube
1l Tank ohne Ablassschraube
vergrößern 1l Tank ohne Ablassschraube
Technische Zeichnungen
Technische Zeichnungen
Menge
Höhe
Filter
Tank-Ø
Filter
Volumen
Filter
Artikel-Nr.
Preis
 
186 mm89 mm1 l*CH-RP/1auf AnfrageMehr Informationen
146 mm180 mm2 lCH-RP/2auf AnfrageMehr Informationen
194 mm180 mm4 lCH-RP/4auf AnfrageMehr Informationen
225 mm205 mm6 lCH-RP/6auf AnfrageMehr Informationen
217 mm240 mm8 lCH-RP/8auf AnfrageMehr Informationen
Bitte warten... OK
* ohne Ablassschraube
Anschweißring
Anschweißring

Anschweißring

Zum Anbau einer Hydraulikhandpumpe an einen beliebigen Tankbehälter.
Technische Zeichnung Anschweißring
vergrößern Technische Zeichnung Anschweißring
Menge
Artikel-Nr.
Preis
 
CH-RP/ASR23,79 €Mehr Informationen
Bitte warten... OK
Adapter und Halter für Kunststofftank
Adapter und Halter für Kunststofftank

Adapter und Halter für Kunststofftank

Menge
Artikel-Nr.
Preis
 
CH-RPP-HALTER36,59 €
Bitte warten... OK
Tankschelle für Kunststofftank
Tankschelle für Kunststofftank

Tankschelle für Kunststofftank

Menge
Artikel-Nr.
Preis
 
CH-RPP-SCHELLE12,45 €
Bitte warten... OK
Hydrauliköl
Hydrauliköl

Hydrauliköl

nach DIN51524 Teil 2

Eigenschaften:

hoher Verschleiß- und Korrosionsschutz, gute Alterungsbeständigkeit

Verwendung:

für unsere Handpumpen empfehlenswert ISO VG 32
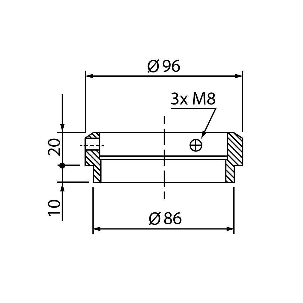
Maße Hydraulikhandpumpe, einfachwirkend, für Rohrleitungsbau
vergrößern Maße Hydraulikhandpumpe, einfachwirkend, für Rohrleitungsbau
VG 22 Sicherheitsdatenblatt
VG 22 Sicherheitsdatenblatt
VG 32 Sicherheitsdatenblatt
VG 32 Sicherheitsdatenblatt
VG 46 Sicherheitsdatenblatt
VG 46 Sicherheitsdatenblatt
Menge
Viskosität
Filter
Inhalt
Filter
Artikel-Nr.
Preis
 
ISO VG 221 LiterHLP22-1LTR7,25 €Mehr Informationen
ISO VG 321 LiterHLP32-1LTR6,90 €Mehr Informationen
ISO VG 461 LiterHLP46-1LTR6,90 €Mehr Informationen
ISO VG 2220 LiterHLP22-KAN91,12 €
ISO VG 3220 LiterHLP32-KAN82,54 €
ISO VG 4620 LiterHLP46-KAN82,54 €
Bitte warten... OK
* Rücknahmebedingungen für Altöl finden Sie in unserer
Erklärung zur Rücknahme von Altöl
Ersatzteile für Hydraulikhandpumpen
Ersatzteile für Hydraulikhandpumpen

Ersatzteile für Hydraulikhandpumpen

Bitte wählen Sie im Auswahlfeld Ihre Pumpe.
Hebelaufnahme
vergrößern Hebelaufnahme
Ansaugfilter
vergrößern Ansaugfilter
Ansaugschlauch
vergrößern Ansaugschlauch
Ablassventil
vergrößern Ablassventil
für CH-P12/SE-DBV Dichtsatz CH-DI-JP12
vergrößern für CH-P12/SE-DBV Dichtsatz CH-DI-JP12
für CH-P16/SE und P20/SE Dichtsatz CH-DI-JP16/JP20
vergrößern für CH-P16/SE und P20/SE Dichtsatz CH-DI-JP16/JP20
für CH-P16/DE und P20/DE Dichtsatz CH-DI-JP16D/JP20D
vergrößern für CH-P16/DE und P20/DE Dichtsatz CH-DI-JP16D/JP20D
für CH-P25/DDA Dichtsatz CH-DI-JP25DDA
vergrößern für CH-P25/DDA Dichtsatz CH-DI-JP25DDA
für CH-P25/SDA Dichtsatz CH-DI-JP25SDA
vergrößern für CH-P25/SDA Dichtsatz CH-DI-JP25SDA
für CH-P1230/SE Dichtsatz CH-DI-JP1230
vergrößern für CH-P1230/SE Dichtsatz CH-DI-JP1230
für CH-FLEXEPUMP Dichtsatz CH-JFLEX
vergrößern für CH-FLEXEPUMP Dichtsatz CH-JFLEX
für CH-DI-PE16S Dichtsatz CH-DI-JPE16
vergrößern für CH-DI-PE16S Dichtsatz CH-DI-JPE16
für CH-DI-PE20SDA Dichtsatz CH-DI-JPE20SDA
vergrößern für CH-DI-PE20SDA Dichtsatz CH-DI-JPE20SDA
Umschalthebel
vergrößern Umschalthebel
Belüftungsfilter
vergrößern Belüftungsfilter
Rückschlagventil
vergrößern Rückschlagventil
Reparaturset für FLEXPUMPE 8mm-6kant
vergrößern Reparaturset für FLEXPUMPE 8mm-6kant
Menge
passend für Pumpe
Filter
Ersatzteil
Filter
Artikel-Nr.
Preis
 
Hebelaufnahme
Ansaugfilter
Ansaugschlauch
Ablassventil
Dichtsatz
Umschalthebel
Belüftungsfilter
Rückschlagventil
Reparaturset für FLEXPUMPE 8mm-6kant
Bitte warten... OK
© 1998 - 2025 Hytec-Hydraulik OHG. Alle Rechte vorbehalten. Alle Preise beinhalten, wenn nicht anders beschrieben, die gesetzliche MwSt. zzgl. Versandkosten.
Shop powered by Hyreka GmbH.
nach oben