Produkte
Info
0
Warenkorb
Mein Konto

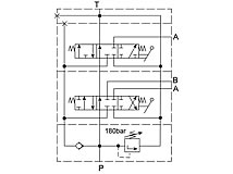
Handhebelventile 50 Liter, komplett montiert

Doppeltwirkend, einfach
Einfachwirkend, einfach
Doppeltwirkend, zweifach
Kombiniert, zweifach
  • Pfeil links
  • Pfeil rechts

Sie können bis zu 9 Bauelemente beliebig anordnen und kombinieren. Wir haben die vier häufigsten Lösungen auf dieser Seite für Sie zusammengestellt. Für individuelle Lösungen und Beratung rufen Sie uns unverbindlich an (+49 (0) 5351 - 523 520)

Doppeltwirkender Einfach-Handhebelsteuerblock
Doppeltwirkender Einfach-Handhebelsteuerblock

Doppeltwirkender Einfach-Handhebelsteuerblock

Bestehend aus:

- Eingangselement mit Druckbegrenzungsventil
- Flanschventil mit Handhebel, doppeltwirkend mit Federrückstellung
- Ausgangselement

Anschlüsse:

A + B: G3/8"
P + T: G1/2"

Kenngrößen:

Max. Durchfluss: 50 l/min
Max. Druck: 300 bar
Max. Rücklaufdruck: 35 bar
Temperaturbereich: -30 °C bis + 90 °C
Rückansicht Doppeltwirkender Einfach-Handhebelsteuerblock
vergrößern Rückansicht Doppeltwirkender Einfach-Handhebelsteuerblock
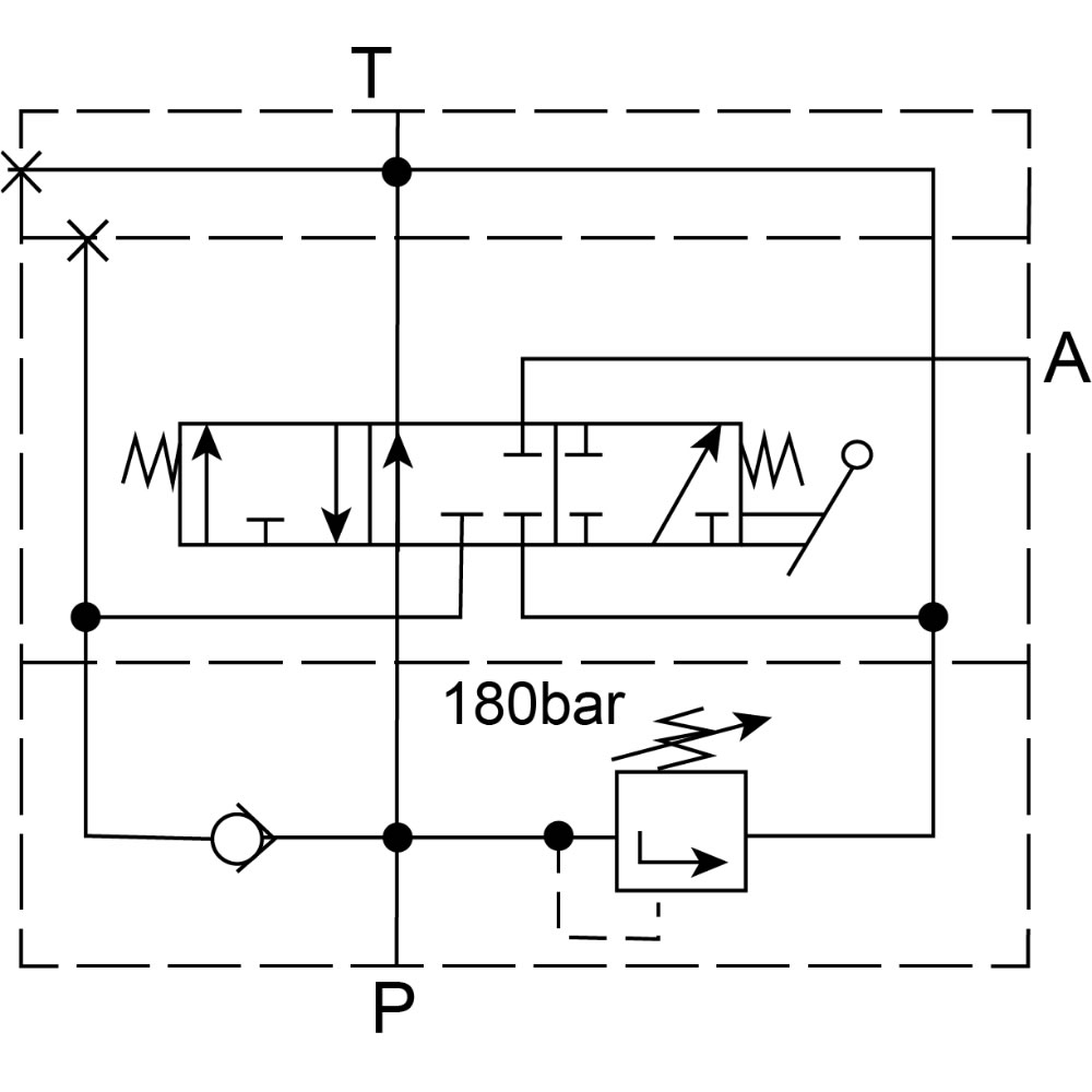
Schaltplan TS-1DFF
vergrößern Schaltplan TS-1DFF
Menge
Voreinstellung
Druckbegrenzungsventil
Filter
Artikel-Nr.
Preis
 
bar TS-1DFF 257,69 €
Bitte warten... OK
Einfachwirkender Einfach-Handhebelsteuerblock
Einfachwirkender Einfach-Handhebelsteuerblock

Einfachwirkender Einfach-Handhebelsteuerblock

Bestehend aus:

- Eingangselement mit Druckbegrenzungsventil
- Flanschventil mit Handhebel, einfachwirkend mit Federrückstellung
- Ausgangselement

Anschlüsse:

A: G3/8"
P + T: G1/2"

Kenngrößen:

Max. Durchfluss: 50 l/min
Max. Druck: 300 bar
Max. Rücklaufdruck: 35 bar
Temperaturbereich: -30 °C bis + 90 °C
Rückansicht Einfachwirkender Einfach-Handhebelsteuerblock
vergrößern Rückansicht Einfachwirkender Einfach-Handhebelsteuerblock
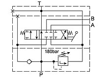
Schaltplan TS-1EFF
vergrößern Schaltplan TS-1EFF
Menge
Voreinstellung
Druckbegrenzungsventil
Filter
Artikel-Nr.
Preis
 
bar TS-1EFF 257,69 €
Bitte warten... OK
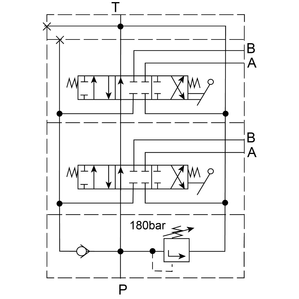
Doppeltwirkender Zweifach-Handhebelsteuerblock
Doppeltwirkender Zweifach-Handhebelsteuerblock

Doppeltwirkender Zweifach-Handhebelsteuerblock

Bestehend aus:

- Eingangselement mit Druckbegrenzungsventil
- 2x Flanschventil mit Handhebel, doppelwirkend mit Federrückstellung
- Ausgangselement

Anschlüsse:

A + B: G3/8"
P + T: G1/2"

Kenngrößen:

Max. Durchfluss: 50 l/min
Max. Druck: 300 bar
Max. Rücklaufdruck: 35 bar
Temperaturbereich: -30 °C bis + 90 °C
Rückansicht Doppeltwirkender Zweifach-Handhebelsteuerblock
vergrößern Rückansicht Doppeltwirkender Zweifach-Handhebelsteuerblock
Detailansicht Doppeltwirkender Zweifach-Handhebelsteuerblock
vergrößern Detailansicht Doppeltwirkender Zweifach-Handhebelsteuerblock
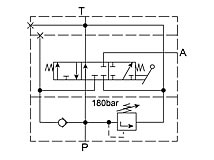
Schaltplan TS-2DFF
vergrößern Schaltplan TS-2DFF
Menge
Voreinstellung
Druckbegrenzungsventil
Filter
Artikel-Nr.
Preis
 
bar TS-2DFF 397,32 €
Bitte warten... OK
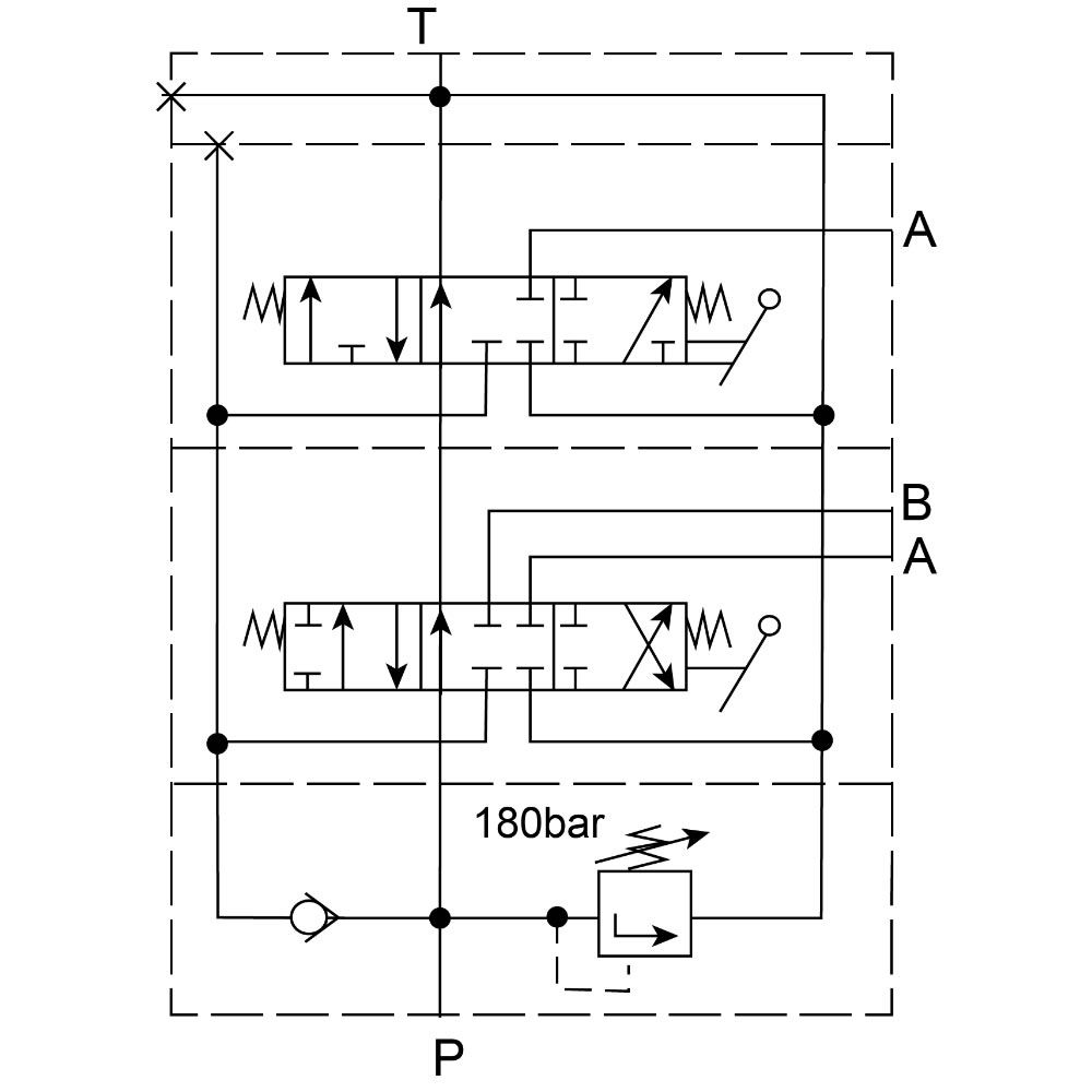
Kombinierter Zweifach-Handhebelsteuerblock
Kombinierter Zweifach-Handhebelsteuerblock

Kombinierter Zweifach-Handhebelsteuerblock

Bestehend aus:

- Eingangselement mit Druckbegrenzungsventil
- Flanschventil mit Handhebel, einfachwirkend mit Federrückstellung
- Flanschventil mit Handhebel, doppeltwirkend mit Federrückstellung
- Ausgangselement

Anschlüsse:

A + B: G3/8"
P + T: G1/2"

Kenngrößen:

Max. Durchfluss: 50 l/min
Max. Druck: 300 bar
Max. Rücklaufdruck: 35 bar
Temperaturbereich: -30 °C bis + 90 °C
Rückansicht Kombinierter Zweifach-Handhebelsteuerblock
vergrößern Rückansicht Kombinierter Zweifach-Handhebelsteuerblock
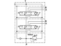
Schaltplan TS-2EFF+DFF
vergrößern Schaltplan TS-2EFF+DFF
Menge
Voreinstellung
Druckbegrenzungsventil
Filter
Artikel-Nr.
Preis
 
bar TS-2EFF+DFF 397,32 €
Bitte warten... OK
© 1998 - 2025 Hytec-Hydraulik OHG. Alle Rechte vorbehalten. Alle Preise beinhalten, wenn nicht anders beschrieben, die gesetzliche MwSt. zzgl. Versandkosten.
Shop powered by Hyreka GmbH.
nach oben