Typische Anwendungsfälle sind hydraulische Hebebühnen und Hubtische mit einfach wirkenden Zylindern und elektrisch betriebener Pumpe.
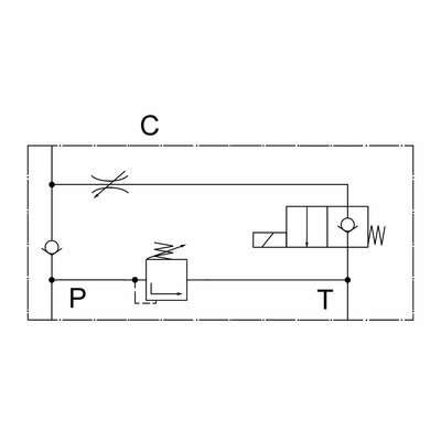
Schaltfunktion:
Durch Einschalten der Pumpe fährt der Zylinder aus. Wird die Pumpe abgeschaltet, so wird der Zylinder leckagefrei in seiner Position gehalten. Wird das Magnetventil bestromt, so senkt sich der Zylinder durch Eigengewicht ab, die Senkgeschwindigkeit kann über die integrierte Senkdrossel eingestellt werden. Das Druckbegrenzungsventil schützt Pumpe und Verbraucher vor Überlastung.
Wir setzen Dienste, unter anderem von Drittanbietern, ein, die wir für den Betrieb der Website benötigen (Notwendig) oder die uns helfen, unsere Website zu optimieren (Komfort) und personalisierte Werbung auszuspielen (Marketing). Um die Komfort- und Marketing-Dienste einsetzen zu dürfen, benötigen wir Ihre Einwilligung.
Indem Sie auf "Alle zulassen" klicken, stimmen Sie den Komfort- und Marketing-Datenverarbeitungen freiwillig zu. Dies umfasst auch Ihre Einwilligung gem. Art. 49 Abs. 1 lit. a DSGVO zur Datenverarbeitung außerhalb des EWR, z.B. in den USA. In diesen Ländern kann trotz sorgfältiger Auswahl und Verpflichtung der Dienstleister das hohe europäische Datenschutzniveau nicht zwingend garantiert werden. Sofern eine Datenübermittlung in die USA stattfindet, besteht bspw. das Risiko, dass diese Daten von US-Behörden zu Kontroll- und Überwachungszwecken verarbeitet werden können, ohne dass wirksame Rechtsbehelfe vorhanden oder sämtliche Betroffenenrechte durchsetzbar sind. Ihre Einwilligung können Sie jederzeit widerrufen. Datenschutzerklärung | Impressum | Cookieübersicht