| Anmelden |
| Im Shop registrieren |
| Meine Bestellungen |
| Schnellbestellformular |
| Warenkorb als Angebot |
| Meine Einkaufslisten |
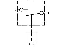
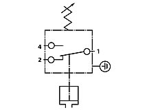
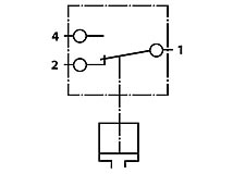
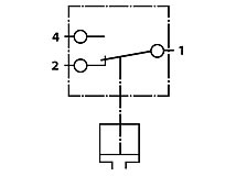
Druckschalter haben einen integrierten elektrischen Schalter, ausgeführt als Schließer (NO), Öffner (NC) oder Wechsler. Durch Anlegen eines Druckes wird eine Membrane verformt, oder ein Kolben über eine Hubbewegung verlagert. Mehr über Druckschalter
Cookie- und Werbeeinstellungen
Wir setzen Dienste, unter anderem von Drittanbietern, ein, die wir für den Betrieb der Website benötigen (Notwendig) oder die uns helfen, unsere Website zu optimieren (Komfort) und personalisierte Werbung auszuspielen (Marketing). Um die Komfort- und Marketing-Dienste einsetzen zu dürfen, benötigen wir Ihre Einwilligung.
Indem Sie auf "Alle zulassen" klicken, stimmen Sie den Komfort- und Marketing-Datenverarbeitungen freiwillig zu. Dies umfasst auch Ihre Einwilligung gem. Art. 49 Abs. 1 lit. a DSGVO zur Datenverarbeitung außerhalb des EWR, z.B. in den USA. In diesen Ländern kann trotz sorgfältiger Auswahl und Verpflichtung der Dienstleister das hohe europäische Datenschutzniveau nicht zwingend garantiert werden. Sofern eine Datenübermittlung in die USA stattfindet, besteht bspw. das Risiko, dass diese Daten von US-Behörden zu Kontroll- und Überwachungszwecken verarbeitet werden können, ohne dass wirksame Rechtsbehelfe vorhanden oder sämtliche Betroffenenrechte durchsetzbar sind. Ihre Einwilligung können Sie jederzeit widerrufen.
Datenschutzerklärung | Impressum | Cookieübersicht







